芯朋微PN8215主控芯片140W氮化镓充电器芯片
芯朋微PN8215主控芯片140W氮化镓充电器芯片
一、概述
二、特性
内置高压启动电路
内置X电容放电电路
内置高低压检测电路
PWM、强制DCM、PFM和BurstMode多模式提高效率
空载待机功耗<75mW@230Vac
优异全面的保护功能
精确的过温保护(OTP)
输入欠压/过压保护
输出欠压过压保护
逐周期过流保护(OCP)
输出开/短路保护
DMG电阻短路保护
次级整流管短路保护
过负载保护
三、应用领域
手机充电器
适配器
四、封装/订购信息

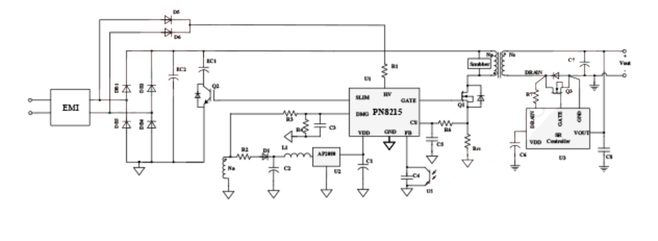
五、典型电路

![]()
全国咨询热线:18929103949 唐小姐
销售部电话:0769-81150556
工程部电话:0769-85638990
QQ:1923681612
邮箱:dgzm699@163.com
总部地址:东莞市大岭山镇矮岭冚村沿河东街8号
佛山办事处:佛山市顺德区容桂镇细滘德宝北路合安街19号
中铭官网:www.zm699.com
| * 联系人: | 请填写您的真实姓名 |
| * 手机号码: | 请填写您的联系电话 |
| 电子邮件: | |
| * 采购意向描述: | |
| 请填写采购的产品数量和产品描述,方便我们进行统一备货。 | |
| 验证码: |
|
| 我要评论: | |
| 内 容: |
(内容最多500个汉字,1000个字符) |
| 验证码: | 看不清?! |
销售电话:0769-81150556
工程电话:0769-85638990
传真:0769-83351643
地址:东莞市矮岭冚村沿河东街8号





共有-条评论【我要评论】