芯朋微电子代理商PN3746NE-A1 DIP8 适用于18V输出非隔离电源芯片
芯朋微电子代理商PN3746NE-A1 DIP8
适用于18V输出非隔离电源芯片
一、概述
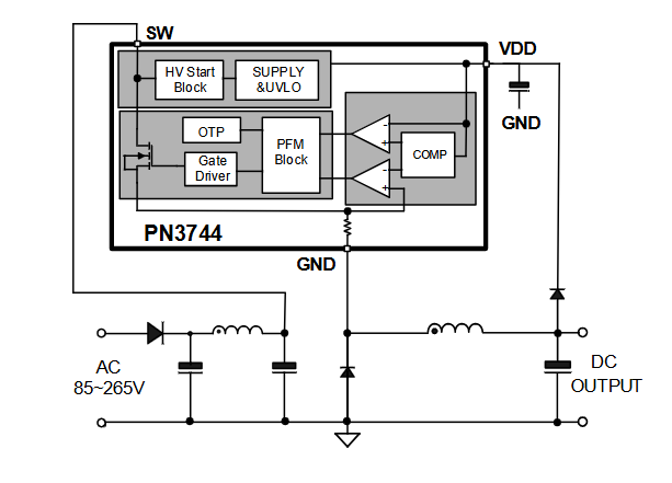
PN3746集成PFM控制器及650V高雪崩能力智能功率MOSFET,用丁外围元器件极精简的小功率作隔离开关电源,PN3746内置650V高压启动模块,实现系统快速启动、超低待机功能。该芯片提供了完整的智能化保护功能,包括过载保护,欠压保护,过温保护。另外PN3746的降频调制技术有叫于改善EMI特性。
二、特性
内置650V高雪崩能力智能功率MOSFET
内置高压启动电路
优化适用于18V输出非隔离应用
半封闭式稳态输山功率9W@230VAC
收善EMI的降频调制技术
优异的负载调整率和工作效率
全面的保护功能
过载保护(OLP)
过温保护(OTP)
欠压保护(UVLO)
三、应用
非隔离辅助电源
四、封装订购信息
.png)
五、典型应用电路
.png)
![]()
全国咨询热线:18929103949(微信同号) 唐小姐
销售部电话:0769-81150556
工程部电话:0769-85638990
QQ:1923681612
邮箱:dgzm699@163.com
总部地址:东莞市大岭山镇矮岭冚村沿河东街8号
佛山办事处:佛山市顺德区容桂镇细滘德宝北路合安街19号
中铭官网:www.zm699.com
| * 联系人: | 请填写您的真实姓名 |
| * 手机号码: | 请填写您的联系电话 |
| 电子邮件: | |
| * 采购意向描述: | |
| 请填写采购的产品数量和产品描述,方便我们进行统一备货。 | |
| 验证码: |
|
| 我要评论: | |
| 内 容: |
(内容最多500个汉字,1000个字符) |
| 验证码: | 看不清?! |
销售电话:0769-81150556
工程电话:0769-85638990
传真:0769-83351643
地址:东莞市矮岭冚村沿河东街8号





共有-条评论【我要评论】