外围元器件精简,非隔离交直流转换芯片--PN8043

- 系统快速启动、待机功能的非隔离交直流转换芯片--PN8505A
- PN8505A基于高压同步整流架构,集成PFM控制器以及550V高可靠性MOSFET,用于外围元器件极精简的小功率非隔离开关电源。PN8505A内置550V高压启动,实现系统快速启动、待机功能。该芯片提供了完整的智能化保护功能,包括过流保护,欠压保护,过温保护。另外PN8505A具有优异的EMI特性。

- 内置500V高压启动与自供电模块转换芯片--AP8005A
- AP8005A集成PFM控制器及500V高雪崩能力智能功率 MOSFET,用于外围元器件精简的小功率非隔离开关电源。 AP8005A内置500V高压启动与自供电模块,实现系统快速启动、待机、自供电功能。该芯片提供的智能化保护功能,包括过载保护,欠压保护,过温保护。另外AP8005A的降频调制技术有助于EMI特性。

- 完整的智能化保护功能的交直流电源管理芯片--AP8507
- AP8507基于高压同步整流架构,集成PFM控制器以及500V高可靠性MOSFET,用于外围元器件极精简的小功率非隔离开关电源。AP8507内置500V高压启动,实现系统快速启动、待机功能。该芯片提供了智能化保护功能,包括过载保护,欠压保护,过温保护。另外AP8507具有优异的EMI特性。
外围元器件极精简,非隔离交直流转换芯片--PN8043
一 概述
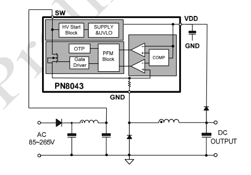
PN8043集成PFM控制器及650V高雪崩能力智能功率MOSFET,用于外围元器件较简的小功率非隔离开关电源。PN8043内置高压启动模块,实现系统启动、待机功能。该芯片提供了智能化保护功能,包括过载保护,欠压保护,过温保护。另外PN8043的降频调制技术有助于EMI特性。(注:可替代进口品牌OB,替代型号:OB2228,封装:SOP,替换说明:兼容,不改PCB,不改外围参数,稳态18V 450mA@220V)
二 特性
■ 内置650V高雪崩能力智能功率MOSFET
■ 内置高压启动电路
■ 优化适用于18V输出非隔离应用
■ SOP-8封装半封闭式稳态输出电流450mA@230VAC
■ EMI的降频调制技术
■ 良好的负载调整率和工作效率
■ 较全的保护功能
* 过载保护(OLP)
* 过温保护(OTP)
* 欠压保护(UVLO)
三 应用
■ 非隔离辅助电源
四 封装

五 应用电路图

![]()
全国咨询热线:18929103949 唐小姐
销售部电话:0769-81150556
工程部电话:0769-85638990
QQ:1923681612
邮箱:dgzm699@163.com
总部地址:东莞市大岭山镇矮岭冚村沿河东街8号
佛山办事处:佛山市顺德区容桂镇细滘德宝北路合安街19号
中铭官网:www.zm699.com
| * 联系人: | 请填写您的真实姓名 |
| * 手机号码: | 请填写您的联系电话 |
| 电子邮件: | |
| * 采购意向描述: | |
| 请填写采购的产品数量和产品描述,方便我们进行统一备货。 | |
| 验证码: |
|

- 系统快速启动、待机功能的非隔离交直流转换芯片--PN8505A
- PN8505A基于高压同步整流架构,集成PFM控制器以及550V高可靠性MOSFET,用于外围元器件极精简的小功率非隔离开关电源。PN8505A内置550V高压启动,实现系统快速启动、待机功能。该芯片提供了完整的智能化保护功能,包括过流保护,欠压保护,过温保护。另外PN8505A具有优异的EMI特性。

- 内置500V高压启动与自供电模块转换芯片--AP8005A
- AP8005A集成PFM控制器及500V高雪崩能力智能功率 MOSFET,用于外围元器件精简的小功率非隔离开关电源。 AP8005A内置500V高压启动与自供电模块,实现系统快速启动、待机、自供电功能。该芯片提供的智能化保护功能,包括过载保护,欠压保护,过温保护。另外AP8005A的降频调制技术有助于EMI特性。

- 完整的智能化保护功能的交直流电源管理芯片--AP8507
- AP8507基于高压同步整流架构,集成PFM控制器以及500V高可靠性MOSFET,用于外围元器件极精简的小功率非隔离开关电源。AP8507内置500V高压启动,实现系统快速启动、待机功能。该芯片提供了智能化保护功能,包括过载保护,欠压保护,过温保护。另外AP8507具有优异的EMI特性。
相关资讯
| 我要评论: | |
| 内 容: |
(内容最多500个汉字,1000个字符) |
| 验证码: | 看不清?! |
销售电话:0769-81150556
工程电话:0769-85638990
传真:0769-83351643
地址:东莞市矮岭冚村沿河东街8号





共有-条评论【我要评论】