国硅集成电路7A/500V 半桥IPM模块NSH705M1PC
国硅集成电路7A/500V 半桥IPM模块NSH705M1PC
一、描述
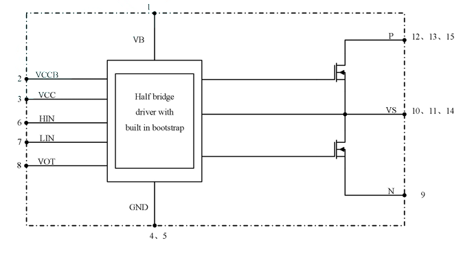
NSH705M1PC是一款7A、500V半桥智能功率模块,专为电机驱动应用设计。该模块集成了7A/500V MOSFET栅极驱动器与自举升压功能,采用紧凑的ESOP13封装,可灵活应用于单相及三相直流无刷电机驱动系统。
二、特性
触发电平=7.7V
复位电平=8.7V
三、应用
直流无刷电机控制
四、封装订购信息

五、典型应用电路
.png)
![]()
全国咨询热线:18929103949(微信同号) 唐小姐
销售部电话:0769-81150556
工程部电话:0769-85638990
QQ:1923681612
邮箱:dgzm699@163.com
总部地址:东莞市大岭山镇矮岭冚村沿河东街8号
佛山办事处:佛山市顺德区容桂镇细滘德宝北路合安街19号
中铭官网:www.zm699.com
| * 联系人: | 请填写您的真实姓名 |
| * 手机号码: | 请填写您的联系电话 |
| 电子邮件: | |
| * 采购意向描述: | |
| 请填写采购的产品数量和产品描述,方便我们进行统一备货。 | |
| 验证码: |
|
| 我要评论: | |
| 内 容: |
(内容最多500个汉字,1000个字符) |
| 验证码: | 看不清?! |
销售电话:0769-81150556
工程电话:0769-85638990
传真:0769-83351643
地址:东莞市矮岭冚村沿河东街8号





共有-条评论【我要评论】