复旦微电子低功耗、高性价比32位触控MCU-FM33FR056替代R5F100L系列
复旦微电子低功耗、高性价比32位触控MCU
-FM33FR056替代R5F100L系列
一、概述
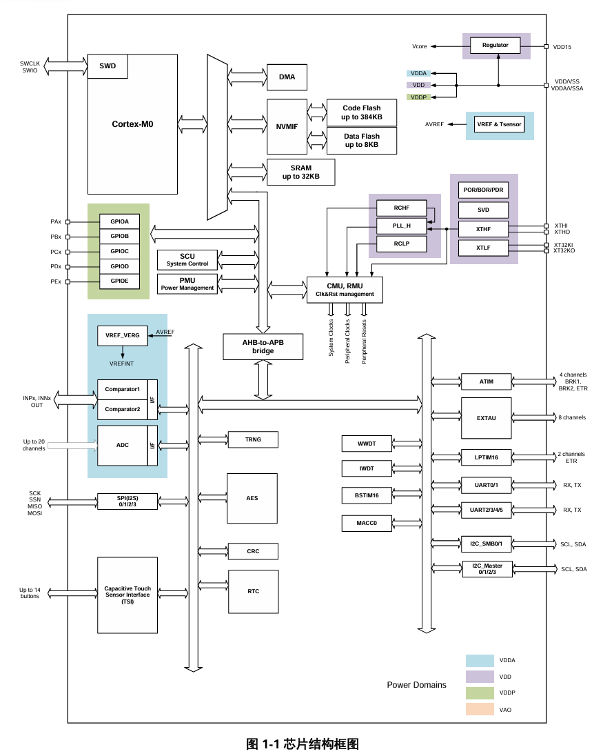
FM33FR0是基于ARM Cortex-M0+的低功耗MCU,支持最大384KB程序flash、8KB数据flash和最大32KB RAM;集成12bit SAR-ADC,最大14通道按键触摸控制器,LCD/LED段码驱动,比较器等丰富外设;具备超宽工作电压范围和优异的低功耗性能。
宽电压范围:1.65~5.5V
工作温度范围(TA):-40℃~+105℃
处理器内核
ARM Cortex-M0+
支持用户/特权模式
支持中断向量表重定向(VTOR)
最高主频48Mhz
SWD调试接口
24bit Systick定时器
单周期乘法器
低功耗技术平台
典型运行功耗120uA/MHz@48Mhz
Sleep模式:5uA
DeepSleep模式,RTC走时+全部RAM保持+CPU内核保持:1.5uA
存储器
384/256/128Code Flash,擦写寿命:100,000次
8KB Data Flash,擦写寿命:500,000次
Flash数据保存时间:10年@85℃
用户代码保护
32/32/16KB RAM空间
丰富的模拟外设
高可靠、可配置BOR电路(支持4级可编程下电复位阈值)
超低功耗PDR电路(支持4级可编程下电复位阈值)
可编程电源监测模块(SVD)
2x低功耗模拟比较器
12bit 2Msps SAR-ADC,最多23个外部输入通道
温度传感器,精度+/-5℃
电容触摸按键
最大支持14个独立按键通道
支持按键电容范围:5~50pF
Baseline调校
低功耗
防水功能
硬件滤波
通用通信接口
UART*6
SPI*4,主从模式
I2C*4,主机模式
I2C_SMBUS*2,主从模式
7通道外设DMA
可编程CRC校验模块
定时资源
TAU定时器阵列,包含12个独立通道
16bit 4通道高级定时器*1
16bit基本定时器*1
24-bit Systick*1
16bit 2通道低功耗定时器*1
看门狗定时器*2
低功耗实时时钟日历(RTCC),带有数字调校功能,调校精度+/-0.476ppm
LCD/LED段码显示驱动电路
最大支持4COM×44SEG / 6COM×42SEG / 8COM×40SEG
1/3 bias、1/4bias
片内电阻分压
支持休眠显示
最大8×32 LED驱动
安全算法
AES硬件运算单元,128/192/256-bit
AES支持ECB/CBC/CTR/GCM/GMAC模式
真随机数发生器
片上可配置高速RC振荡器,可配置频率输出8/16/24/32MHz,出厂调校误差+/-0.5%,8/16MHz全温区变化小于+/-2%
低功耗32768Hz晶体振荡器,带有停振检测电路
低功耗低速RC振荡器,32KHz,全温区+/-3%
高频晶体振荡器,4~24MHz
PLL,最高输出48MHz
封装:LQFP100/LQFP80/LQFP64/LQFP44


FM33FR026P/FM33FR046P/FM33FR056P/FM33FR026/FM33FR046/FM33FR056可替代R5F100L系列
![]()
全国咨询热线:18929103949(微信同号) 唐小姐
销售部电话:0769-81150556
工程部电话:0769-85638990
QQ:1923681612
邮箱:dgzm699@163.com
总部地址:东莞市大岭山镇矮岭冚村沿河东街8号
佛山办事处:佛山市顺德区容桂镇细滘德宝北路合安街19号
中铭官网:www.zm699.com
| * 联系人: | 请填写您的真实姓名 |
| * 手机号码: | 请填写您的联系电话 |
| 电子邮件: | |
| * 采购意向描述: | |
| 请填写采购的产品数量和产品描述,方便我们进行统一备货。 | |
| 验证码: |
|
| 我要评论: | |
| 内 容: |
(内容最多500个汉字,1000个字符) |
| 验证码: | 看不清?! |
销售电话:0769-81150556
工程电话:0769-85638990
传真:0769-83351643
地址:东莞市矮岭冚村沿河东街8号





共有-条评论【我要评论】